CAN通讯86步进伺服一体机
国内最小体积的86步进伺服!
产品介绍:
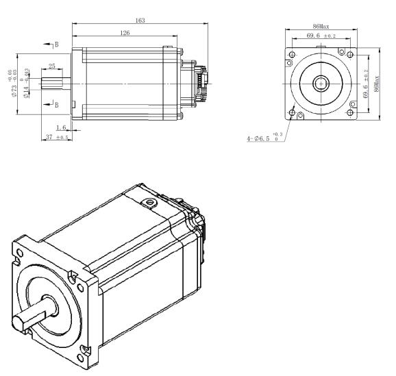
UIM242-86规格步进伺服是国内最小体积的步进伺服产品,按照电机+编码器+驱动控制器一体式设计,相对于同类步进伺服,UIM242-86显然具备体积上的优势。
产品采用CAN 2.0总线通讯技术,内置500线增量式编码器,可匹配PC、PLC、单片机、ARM等上位机形成基于CAN通讯的网络式控制系统方案,亦可脱机用IO控制运行。同时CAN通讯可达到1M带宽,传输速率与传输稳定性远超过RS232/RS485等通讯技术。
与传统脉冲型步进伺服相比,UIM242-86步进伺服内置高性能 DSP 嵌入式微处理系统,自身整合了通讯、控制、驱动三大功能,降低了上位机运动控制软硬件成本,特别适合于10轴以上设备使用。UIM242-86步进伺服所有控制指令均基于标准通讯格式,特别是针对windows系统的指令已进行封装,因此,采用UIM242-86步进伺服形成的CAN通讯运动控制方案,具备开发简单、可靠性高、维护方便、总体成本低的优点。同时CAN通讯仅需两条总线即可将多达100个电机集合在一起,大大降低了设备布线难度。与脉冲型控制方案方案相比,采用CAN通讯控制方案的设备开发周期可缩短1/3以上。
核心特点:
● 86步进电机+编码器+驱动器一体构造,外形精巧;
● CAN2.0总线通讯控制,适合多轴步进伺服组网;
● 智能化设计,驱动、控制功能二合一;
● 标配500线增量式编码器;
● 可自动检测堵转状态,实时报警或按照设定事件运行;
● 提供SDK开发包,系统编程简单易用;
产品型号与选型表:
|
产品型号 |
工作电压 |
电机电流 |
编码器线数 |
电机保持转矩 |
|
UIM242FC08P-IE/86-98 |
12-40 VDC |
5.0A |
500线 |
6.0Nm |
|
UIM242FC08P-IE/86-114 |
12-40 VDC |
5.0A |
500线 |
8.5Nm |
|
UIM242FH08P-IE/86-98 |
12-48 VDC |
5.0A |
500线 |
6.0Nm |
|
UIM242FH08P-IE/86-114 |
12-48 VDC |
5.0A |
500线 |
8.5Nm |
特点详解:
1、CAN总线通讯控制
● 主动CAN2.0B,全网络仅用一对双绞线(两根导线)连接通讯;
● 可连接多达100台步进电机;
● 采用差分总线,具有很强的抗干扰能力,传输最大距离可达10公里;
2、智能化设计
● 内置500线增量式编码器,一体式设计;
● 内置64 位高性能DSP嵌入式微处理器,可实现单轴独立脱机运行;
● 线性/非线性加减速功能;
● 3路I/O信号输入,1路TTL电平输出;
● 8类事件/状态变化通知;
● 6种IO事件触发5种预设实施控制动作;
3、一体化结构设计
● 驱动器+编码器部分尺寸仅为57mm x 57mm x 42mm;
● 精密铸造铝合金机壳,坚固耐用强度高,有利于驱动器散热;
● 全部采用耐高温元器件,驱动器最高耐温可达80摄氏度;
应用框图:
A、单个步进伺服接线图
B、多轴组网接线框图
工作电气性能与环境要求(环境温度25℃时)
|
冷却方式 |
自然冷却 |
|
|
使用环境 |
场合 |
尽量避免粉尘、油雾及腐蚀性气体 |
|
温度 |
-40 ℃ ~+ 85 ℃ |
|
|
湿度 |
<80%RH,无凝露,无结霜 |
|
|
震动 |
3G Max |
|
|
驱动方式 |
恒相流PWM 控制 |
|
|
励磁方式 |
整步,半步,4 细分,8细分,16 细分 |
|
|
绝缘电阻 |
在常温常压下>100MΩ |
|
|
绝缘强度 |
在常温常压下0.5KV,1分钟 |
|
产品外形图:
- 2024/01/05多轴步进电机驱动器—实现复杂运动控制
- 2023/12/18步进电机在点胶机上的应用
- 2023/11/20步进电机细分-驱动器电机
- 2023/11/20步进电机和驱动器怎么接线-驱动器电机
- 2023/11/13步进电机转速:影响因素与优化策略



在线咨询