UIM232通讯57步进伺服一体机/步进一体机
国内最小体积57步进伺服!
产品介绍:
UIM241-57步进伺服是款小体积的步进伺服一体机产品,按照电机+编码器+驱动控制器一体式设计,相对于同类步进伺服,UIM242-57显然具备体积上的优势。
UIM241-57步进伺服采用标准RS232通讯协议,内置500线增量式编码器,可匹配PC、PLC、单片机、ARM等上位机形成一对一控制系统方案,简化上位机硬件结构,无须再增加上位机脉冲模块,亦可脱机用IO控制运行。
与传统脉冲型步进伺服相比,UIM24-57内置高性能 DSP 嵌入式微处理系统,自身整合了通讯、控制、驱动三大功能,不仅体积精小,而且降低了上位机运动控制软硬件成本。所有控制指令均基于标准RS232通讯格式,特别是针对windows系统的指令已进行封装,因此,采用UIM241-57步进伺服形成的RS232通讯控制方案,具备开发简单、可靠性高、维护方便、总体成本低的优点。
UIM241-57步进伺服的控制系统包括通讯、基本运动控制、高级运动控制(线性/非线性加减速)、IO信号输入控制以及事件变化通知模块。目前,采用UIM241-57步进伺服控制系统方案的设备已在视觉检测模块、手机检测、电子组装、手机检测等多个领域应用。
核心特点:
● 57步进电机+编码器+驱动器一体构造,外形精巧;
● 三线RS232通讯端口,驱动、控制功能二合一;
● 标准RS232通讯协议,可连接工控机、PLC、ARM、单片机;
● 提供SDK开发包,系统编程简单易用;
产品型号与选型表:
|
产品型号 |
工作电压 |
电机电流 |
编码器线数 |
电机保持转矩 |
|
UIM241C04P-IE/57-56 |
12-40 VDC |
2.8A |
500线 |
1.0Nm |
|
UIM241C04P-IE/57-76 |
12-40 VDC |
3.0A |
500线 |
1.8Nm |
|
UIM241C04P-IE/LA * |
12-40 VDC |
3.0A |
500线 |
57直线丝杆电机 |
* 此为特殊规型号,有关直线丝杆电机规格参数,请与我公司联系。
特点详解:
1、RS232总线通讯控制
● 标准RS232协议,PC、PLC、单片机、ARM等上位机;
● 三线串口通讯,最高波特率57600;
2、智能化设计
● 内置500线增量式编码器,一体式设计;
● 内置64 位高性能DSP嵌入式微处理器,可实现单轴独立脱机运行;
● 线性/非线性加减速功能;
● 3路I/O信号输入,1路可配置模拟量;
● 8类事件/状态变化通知;
● 6种IO事件触发5种预设实施控制动作;
3、一体化结构设计
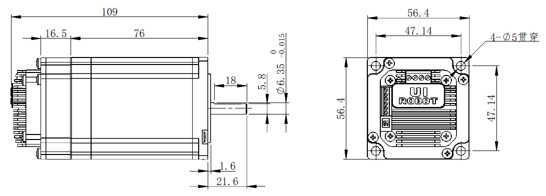
● 驱动器+编码器部分尺寸仅为57mm x 57mm x 34mm;
● 精密铸造铝合金机壳,坚固耐用强度高,有利于驱动器散热;
● 全部采用耐高温元器件,驱动器最高耐温可达80摄氏度;
应用框图:
工作电气性能与环境要求(环境温度25℃时)
|
冷却方式 |
自然冷却 |
|
|
使用环境 |
场合 |
尽量避免粉尘、油雾及腐蚀性气体 |
|
温度 |
-40 ℃ ~+ 85 ℃ |
|
|
湿度 |
<80%RH,无凝露,无结霜 |
|
|
震动 |
3G Max |
|
|
驱动方式 |
恒相流PWM 控制 |
|
|
励磁方式 |
整步,半步,4 细分,8细分,16 细分 |
|
|
绝缘电阻 |
在常温常压下>100MΩ |
|
|
绝缘强度 |
在常温常压下0.5KV,1分钟 |
|
产品外形图:
下一篇:没有了
- 2024/01/05多轴步进电机驱动器—实现复杂运动控制
- 2023/12/18步进电机在点胶机上的应用
- 2023/11/20步进电机细分-驱动器电机
- 2023/11/20步进电机和驱动器怎么接线-驱动器电机
- 2023/11/13步进电机转速:影响因素与优化策略



在线咨询